
描述:
电子张力仪, 电池供电, 适用于短时间测量.
手持式设计适用于测量低弹性材料测量.
大直径导轮保护材料免受材料弯曲的损害.
直径从屏幕上读出测量值.
导入运行的材料非常简单
应用:用于测量光纤, 碳纤维等易受弯曲损害的材料的张力.
额定量程:Handy-Tens-LWL:0 - 1999 cN, 分辨率: 1 cN
Handy - Tens-LWL - C:0 – 100,0 N, s分辨率: 0,1 N
过载保护:500 %
显示:数字液晶LCD 显示, 3 ½ 位, 10 mm高, 每秒显示三个测量数据
峰值显示:选项: 按住按钮时,只有峰值被显示出来.
保持功能:按住按钮时,当前值被保持显示出来
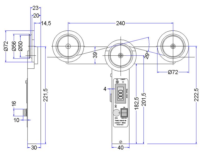
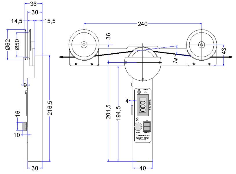
材料导向:Ø 50 mm轴承的3个V型低摩擦导轮
标定:工厂标定, 客户也可以在任何时间自己标定
测量误差:< 1% 满量程
零点调整:通过旋钮方便调整过.
阻尼:可以通过开关激活阻尼模式,应用于张力波动剧烈的测量中 。
供电电源:9 V电池, 型号 6LR61,
操作时间约75 小时
电池控制:电池控制灯
外壳材质:铝合金 重: 500 克
发货内容:带有包装箱的Handy – Tens - LWL, 操作手册, 9V电池
其它可选配件:可充电9V电池, 充电器
尺寸Handy-Tens-LWL-:


3 种不同的导线路径可调整:
1)特别适用于手持式测量.线材导入简单方便.
2)主需要把张力仪旋转的图1位置,即可实现测量.
3 )适用于张力仪固定在设备上进行测量.
4 )适用于固定安装在设备上测量.
被测材料线径变化对测量结果无影响